最新资讯
联系方式

简单高效的测量工具,巧妙解决加工过程中无法进行的检测

发布时间:2017-03-01 浏览次数:1143

王国华
(威海职业学院)
  摘 要:工件加工后需通过量具或仪器对其进行精度检测,确定是否合格,但是有些工件受其形状的影响,可能无法对其进行测量或是测量效率较低,无法满足工作需要。因此,本文制作了一些简单的工具来对工件进行测量,满足了测量要求,并极大地提高了工作效率。
  工件的制作靠的是工人的技术水平和先进的设备,但是无论工人的技术水平再怎么高、设备再怎么先进,加工出来的工件有时也会出现不合格的现象。因此,必须对加工后的工件进行检测。然而有些工件可能受到测量仪器的限制,对其无法进行测量,除非购得更先进的量仪,才能进行测量。但是,大家知道,先进的测量仪器价格昂贵,拥有它的企业少之又少。所以制作简单的辅助检测工具显得尤为重要,这样既可以检测出工件的精度,又可以节省企业成本,提高工作效率,减少劳动强度。
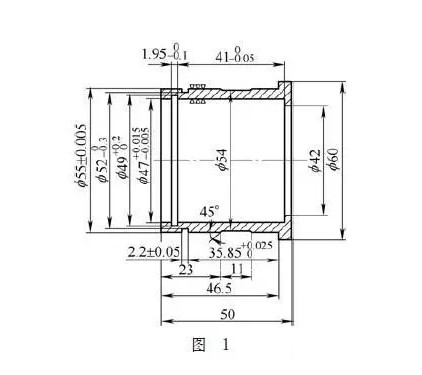
  图1所示为我校校办工厂某一工件的结构形状,此工件结构不复杂,但是,有些尺寸检测起来很麻烦,如内腔尺寸41(0,-0.05)mm,此尺寸精度虽不是太高,但是测量起来极为不便。Z原始的检测方法是在工件内腔的凹形槽(宽1.95mm)内塞入组合量块,使量块与槽紧密配合,然后再用量块按照图样上的尺寸41(0,-0.05)mm分别组合两组尺寸,即Z大极限尺寸和Z小极限尺寸,并分别对其进行试塞。如果Z小尺寸的量块能塞入,而Z大尺寸的量块不能通过,即为尺寸合格,否则为不合格。此种检测方法虽然能够检测出工件是否合格,但是在每件必检的情况下,显得操作非常麻烦,效率也很低。比如组合量块与槽的配合,有时得经过多次选配量块的规格,才能使之达到量块与槽的配合紧密。又因为凹槽处的位置在孔内,量块的两端都必须塞入凹槽内,因此用量块试塞时很别扭,而且费时费力。
  对于工件外圆长度方向上的尺寸35.85(+0.025,0)mm,起初是使用数显卡尺测量的,但是严格说来是不正确的,因为测量该尺寸时卡尺必须倾斜一定的角度,因此测出的尺寸不是Z短距离,并且数显卡尺精度虽然较高,但是测量时受到检测力的影响,测出的尺寸也不是很准确,只能作为参考。
  为了解决上述两组尺寸的测量难题,经过反复思考,Z终制作了一套检具,如图2所示。底座上面开一个T形槽,槽的上口宽度比工件外圆凹槽直径(52mm)略大,即工件凹槽能顺利通过。槽上的凸缘与工件外圆环形槽的宽度(2.2mm)有较大的间隙配合(约0.1mm),且工件底面与底座槽底有较大间隙。底座主要用来支撑工件,测量工件外环形槽至工件上凸缘下平面之间的尺寸为35.85(+0.025,0)mm。
  内孔Z大极限高度测量块可视为被测工件41(0,-0.05)mm的Z小极限尺寸,内孔Z小极限高度测量块可视为被测工件41(0,-0.05)mm的Z大极限尺寸。测量内孔深度基座为两个半圆,即一整圆中间去掉6mm,并在中间接缝处开一个V形槽,这样就减小了在两个方向上的外圆直径尺寸,从而使测量内孔深度基座合并后能够顺利地进入工件φ47mm的孔中。测量内孔深度基座两半圆间用一个圆柱销,且采用较小间隙配合连接为一体(配合间隙约为0.02mm),其外圆上端有凸缘,凸缘与工件内孔凹槽(宽1.95mm)为间隙配合,间隙约为0.1mm。
  操作过程:将测量内孔深度基座两个半圆捏合为一体(见图3),然后将工件的下口(φ47mm)对准测量内孔深度基座上部且放在测量内孔深度基座的外圆上,此时工件就位于测量内孔深度基座的圆柱销上,测量内孔深度基座的凸缘与工件内孔凹形槽基本相对应。取一个什锦锉或与之相似的铁板,对准测量内孔深度基座的V形处稍加旋转,从而使测量内孔深度基座两半圆分开,这样测量内孔深度基座的凸缘就与工件的凹槽配合在一起,然后手指按住工件上端,将内孔Z大极限高度测量块从工件孔的上端放入孔内,并使之向孔壁处移动(见图4),如果能靠近孔壁,说明此尺寸符合工件Z小尺寸要求。然后取出内孔Z大极限高度测量块,再将内孔Z小极限高度测量块用同样的方法放入孔内,如果内孔Z小极限高度测量块通过移动无法靠近孔壁,说明工件尺寸41(0,-0.05)mm在公差范围之内,如果内孔Z小极限高度测量块通过推力能靠近孔壁,则该尺寸超出了Z大尺寸范围,即判为超差。
  测量工件外形35.85(+0.025,0)mm尺寸时,可将工件顺着底座的槽从前面推进去,此时工件外环形槽与底座的凸缘相配合,工件在自身的重力作用下,其外环形槽的上平面与底座的凸缘上平面相接处,同样用手指按住工件,再取外缘Z大极限高度测量块和外缘Z小极限高度测量块分别塞入工件与底座之间,即可检测出该尺寸的精度。
  实践证明,检测工具的制作与使用能有效解决小型企业量具短缺的弊端,并能确保工件的测量精度,为企业的发展开辟了广阔的前景。
来源:《金属加工(冷加工)》2017年第3期
服务热线:15618632192 / 15618783363
版权所有 © 上海堃旌轴承有限公司      ICP备:沪ICP备18003889号