最新资讯
联系方式

立磨三道锁风阀技术改进实例

发布时间:2017-06-14 浏览次数:332

孙子和
(青海宏扬水泥有限责任公司)
  立磨作为风扫磨,需在负压状态下工作。因此,三道锁风阀必须在保证立磨正常喂料量的同时尽可能的减少系统漏风,实现锁风功能。但由于三道锁风阀的工作环境恶劣,粉尘大、磨损严重,经常会出现一些诸如“阀板磨损、非传动侧轴承损坏”等问题,从而影响磨机系统的正常运行和技术指标。
  1、问题分析
  在实际使用过程中,一方面由于物料的进料冲击使阀体的耐磨层逐渐磨损剥落,阀板与底板的间隙增大。导致磨机系统压差减小、出磨温度降低,磨机产量下降;另一方面由于锁风阀非传动侧轴承原密封结构为毡圈密封,极易使灰尘进入轴承内部,导致轴承损坏,从而被迫停磨处理。为此,公司技术人员对其进行了技术改造,效果良好。
  2、改造方法
  (1)利用定检时间补焊三道阀板和底板、增强耐磨性。重新补焊阀板,并加加强筋,增强阀板的抗拉性。同时在阀板和底板的冲击面用D707碳化钨耐磨焊条堆焊3~5mm的厚度,以增强阀板和底板的耐磨性,延长使用寿命。在补焊的过程中一定要确保阀板和底板的间隙≤3mm,以保证磨内压差和出磨温度的稳定性,有利于磨机操作和提高台时产量。
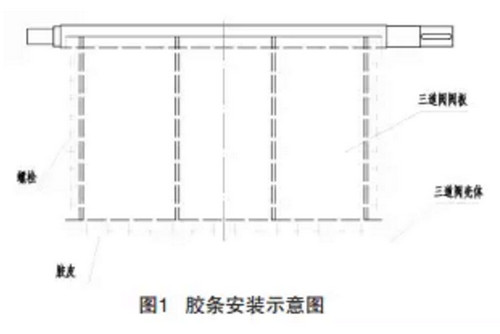
  (2)利用废旧输送带制作成胶条(阀体两侧与底板之间宽度的相应尺寸),用螺栓固定在阀板的背面,使其与底板之间形成紧密的弹性接触,减少漏风。具体结构见图1。
  (3)对锁风阀非传动侧轴承原密封结构进行技术改造。将原毡圈密封改造为“U”型骨架密封,同时增加了一个迷宫套和轴承配合,迷宫间隙小于2mm,有效的采用组合式密封结构,防止灰尘的侵入。具体密封结构见图2所示。
  3、改造效果
  经过上述技术改造,并通过生产实际运行的验证,目前经改造后的三道锁风阀使用寿命由原来的2个月左右提高至8个月左右。而且改造成本低廉、结构简单,值得推广使用。改造前后效果对比见表1。
服务热线:15618632192 / 15618783363
版权所有 © 上海堃旌轴承有限公司      ICP备:沪ICP备18003889号